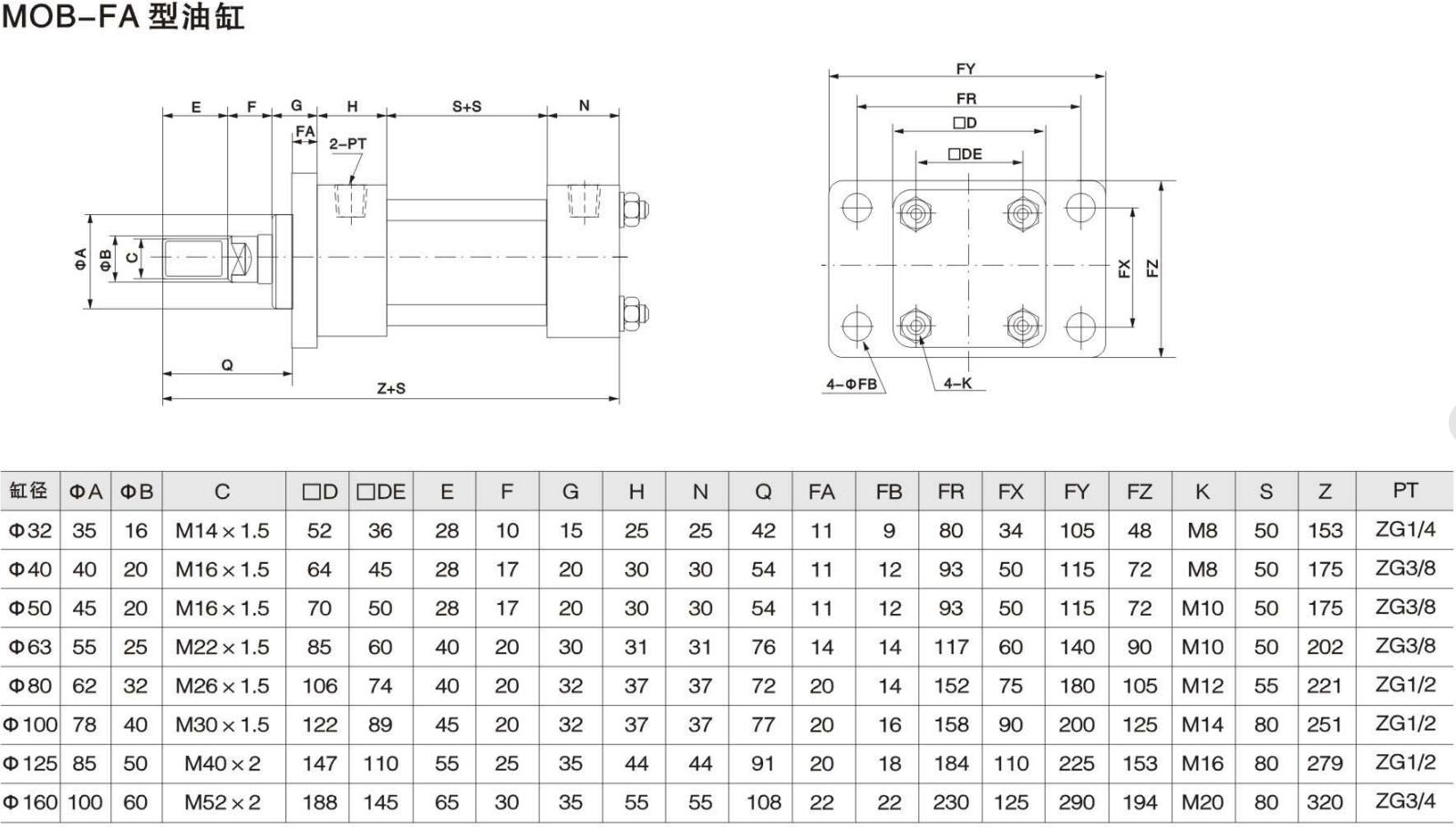
MOB cylinder with prepositive flange-液壓系統_液壓油缸_氣動元件_液壓系統廠家_液壓系統報價--郑州顺宝机械制造集团

Qingdao Baishicheng Hydraulic Technology Application Co. Ltd.!

Qingdao Baishicheng Hydraulic Technology Application Co. Ltd.
More than 20 years focus on hydraulic technology

Contact Us

Haier Road 88 Jia, Yinghai Industry Park, Jiaozhou Qingdao, Shandong Provinz, China
132-2087-3388
Location:Home > Products
MOB cylinder with prepositive flange
郑(zhèng)州顺宝(bǎo)机械制(zhì)造集团(tuán)液壓技(jì)術 應用(yòng)有限公(gong)司以提(ti)供優質(zhi)、以客戶(hu)為本的(de)産品和(hé)服務為(wéi)宗旨,我(wo)們緻力(lì)于改善(shàn)質量管(guan)理體系(xi)、提升産(chan)品質量(liang),并充分(fen)滿足消(xiao)費者需(xū)求,為所(suǒ)經營範(fan)圍内的(de)國家和(he)地區提(ti)供超出(chu)預期的(de)産品和(hé)服務。
Consult now

返(fan)回頂部(bù)

总(zǒng) 公 司急(jí) 速 版WAP 站(zhan)H5 版无线(xiàn)端AI 智能(néng)3G 站4G 站5G 站(zhàn)6G 站
 
·
·